用户体验要素第二篇-叮咚买菜案例
一篇一言:你所看到的岛屿只是浮在海平面上暴露在空气中的一角
笔者在之前发表过一个观点:当你想试图去读懂一本书,不仅需要阅读完列出框架做好重点记录,还需要通过实际案例的分析来对知识作基础的巩固。在上一篇笔者对用户体验要素这本书作了重点知识摘要后,这一篇主要是希望通过一个正在运行的产品来对该产品背后的用户体验要素进行分解与论述。在做此篇产品解构前笔者做了一些基础的资料收集,这一篇仅是围绕用户体验要素来进行论述,当然一个完整运行的产品绝不只包含这些要素。话不多说,直奔主题。
战略层
战略层的关键词为产品目标和用户需求。对于线上买菜的用户主要目标是能在限定时间内快速买到新鲜的生鲜产品。其次期待能发现/找到想吃的菜品、了解菜品制作方法、同时买到菜品新鲜材料、做出好菜。在这里把线上买菜用户需求分为三类:必备型需求、无差异型需求、兴奋型需求。
(1)必备型需求包括:生理需求-即对吃喝食材供应的需要;安全需求-即对食材质量安全的要求。
(2)无差异型需求包括:效率层面-品类丰富、产品齐全;
(3)兴奋型需求包括:效率层面-物料快,到手快;性价比层面-优惠力度大同时产品品质高;知识层面-学习做出好菜;社会层面-分享自制菜品获得他人认同;还包括服务层面、感性层面需求,如细分人群产品定制-减肥、美容、宝妈;一人食、两人情侣餐。
那么,叮咚买菜是如何满足这类人群各个层级的需求,我们从企业的产品目标进行拆分。
(1)品牌层面,叮咚买菜的品牌定位为:一个基于前置仓模式(30分钟到家)的社区生鲜电商平台。以家庭买菜为核心业务,围绕一日三餐烹饪场景,主要为24-35岁年轻一二线南方城市、时效性要求高的上班族用户以及企业提供便捷、新鲜、品质的高频刚性生鲜产品到家服务。围绕着品牌定位,叮咚买菜的slogan直接突出品牌价值:29分钟,鲜到鲜得。品牌的核心符号也为围绕“新鲜”“买菜生鲜”展开:logo为蔬菜中的胡萝卜,品牌主色系为健康绿、食欲橙。
以下为叮咚买菜的典型用户画像:

(2)产品层面,叮咚买菜的产品类型为新零售、社区电商;产品定位为:为消费者提供“便捷、新鲜、品质”生鲜产品到家服务;核心指导原则为“品质确定、时间确定、品类确定”。
(3)商业层面,叮咚买菜的业务模式为:城批采购+社区前置仓+29分钟配送;0起送门槛,满38元免配送费;叮咚买菜把大数据运用到从采购到配送全环节,实现生鲜的低滞销和低损耗。
采购端-城批采购、品牌供应商直供,节省冷链配送成本;采购前根据大数据“订单预测”精准预测用户订单结果进行采购;
配送端-社区前置仓模式,自建物流配送体系智能调度和规划最优配送路径、自营配送团队,高效送达;
销售端-通过用户画像及智能推荐精准向目标客户推荐产品;采用轻营销模式,利用社团+分享模式及地推,实现社区内用户快速传播。
用户端-通过前置仓模式(社区周围一公里)解决30分钟送到家问题,保证用户能及时收到新鲜产品;
(4)体验层面,叮咚买菜的体验目标为:让用户体验到叮咚买菜的便捷、新鲜、品质。便捷体现在品类全(菜单仓sku约1700个)、物流快门槛低(30分钟到家、0起送门槛,满38元免配送费);新鲜体现在城批采购、水产品鲜活配送;品质体现在全流程”7+1″ 品控,全链路进行品控管理,从源头采购、产品验收入库、加工包裹、分拣、再到配送给用户。
(5)运营层面,叮咚买菜现处于成长期阶段,在刚推出的探索期阶段主要以用户留存为主要目标,这里主要用RARRA增长模型中R(用户留存)指标进行简要分析。用户留存即为用户提供价值,让用户回访。
假设它的北极星指标为每位用户至少每周活跃在平台3次并下单2次客单价超70元订单。把指标拆分为:每位用户每周活跃次数、每位用户每周订单数量、每位用户每周每个订单物品数量、每位用户每周每个订单物品单价。
通过一些指标的评估能够将用户进行进一步分类:R(活跃度)-活跃用户/沉默用户/流失用户,F(忠诚度)新老用户/忠诚用户,M(消费能力)-低中高贡献用户。
那么叮咚买菜为留存用户做了哪些策略?
第一,提高用户活跃度,让用户从新户向付费用户进阶。
如加入激励机制,任务体系(首次购物获新人红包券108元来刺激首次下单;首次邀请好友赠送现金红包“老用户邀请新用户下单获59-30优惠券”;打开消息通知权限;小游戏)。积分体系(签到领取积分“100积分兑1元钱”来培养用户习惯;)。其次加入“吃什么”模块,提供做饭灵感,解决用户不知道吃什么痛点以达到增加用户粘性目的。再如推送“特价商品”信息引导用户购买。
第二,提高用户忠诚度,让用户从付费用户向忠实活跃用户进阶。
如多渠道推送促销活动信息;会员体系(将优惠券与会员绑定引导用户购买会员卡)等。
第三,提高用户贡献能力,让用户成为高价值消费用户。
如推送高额度优惠券;推送新品相关活动;社群维护等。
以上对叮咚买菜的用户需求和产品目标进行了概述,而对于叮咚买菜来说,需要明确成功标准,在生鲜电商火热的浪潮中,怎样提升平台用户数、提升转化率、提高客单价,才是体现平台核心价值的策略所在。
范围层
范围层的关键词为功能规格和内容需求。这里主要通过用户角色和场景来定义产品功能(还可通过竞品定义、如每日优鲜、盒马生鲜等)。把购物过程分为三个阶段:购物前(未确定某个商品前)、购物中(确定某个商品时)、购物后(拿到并使用某个商品后),具体路径如下图所示:

以上对产品功能进行了初步定义,根据需求的优先级对产品进行一级分类,即产品最核心的五大功能:首页、分类、吃什么、购物车、我的。每个一级分类对应着不同的用户类型及需求。
第一,首页核心分为:
(1)为目的性强的用户提供快速搜索通道
(2)为有品类目的、不明确具体品种的用户提供商品分类入口
(3)为非目的用户提供最新/特色推荐功能模块,包括banner广告页、特色专区
(3)为价格敏感型、冲动型用户提供促销活动、限时抢购功能模块
(4)为难挑选、难决策型用户提供主题功能模块
第二,分类核心分为:
(1)为有品类目的、不明确具体品种的用户提供快速搜索通道以及一级品类标签
(2)为挑选商品型用户提供二级品种分类
(3)为细分群体提供场景标签,如宝宝餐
第三,吃什么核心分为:
(1)为不知道吃什么的用户提供做饭灵感功能模块
(2)为有菜品意向不知道怎么做的用户提供快速搜索通道
(3)为不知道选什么菜品的用户提供菜谱分类功能,按菜品、场景、人群等维度进行划分
第四,购物车核心分为:
(1)为所有用户在付款商品前提供放置商品功能
(2)为不想买了/再买一件的用户提供加入/去除功能
第五,我的核心分为:
(1)为已购买等待型用户、使用商品后满意/不满意用户提供追踪、后续处理的功能模块
(2)为想获得更多优惠的用户提供签到、积分、活动、会员入口
(3)为所有用户提供常用功能模块
(4)为有需要的企业用户提供企业采购功能入口
对于叮咚买菜的内容需求即需要对内容进行分类和分级,如可分为品牌内容、产品内容、服务内容、促销内容、价格内容、注意说明内容等,同时要标出哪些内容为用户生产、哪些为平台创造,内容的更新频次、负责人员、内容载体、内容规格等,这里对具体内容不展开论述。
结构层
结构层的关键词为交互设计、信息框架。叮咚买菜把底部标签导航根据产品核心功能划分的一级分类分为:首页、分类、吃什么、购物车、我的。对应的每个一级分类下根据需求优先级排列有对应的二级信息分类、三级细分内容。“信息规划”是为了让不同需求的用户可以更容易的找到自己想要的“东西”,具体的产品结构如图:

由于一级菜单作为APP主目录,决定了用户对产品的第一印象,直观体现产品的最核心功能,从用户层面看,“首页”“分类”功能告诉用户产品核心是丰富的生鲜产品选购,“吃什么”功能告诉用户叮咚平台为一站式专业烹饪服务。可见叮咚买菜的核心价值为“从食材选购到美食制作一站式专业服务”。
从信息架构可以发现,叮咚买菜把广告推荐、优惠券、商品分类、绿卡会员等功能放在第一版面“首页”最显眼位置,把限时抢购、特色专区放在中间,菜品主题放在放在最末,可见叮咚在这一页面核心强调“优惠”“品类丰富”;
而第二版面“分类”把绿卡专享放在了首位,可见叮咚为刺激绿卡转化作了不同层级的布局;
第三版面“吃什么”把以PGC(专业生产内容)为主的做饭灵感模块作为核心布局来突出“专业”“社交”属性;
第四版面“购物车”突出全场换购来作连带销售;而“我的”把绿卡、优惠券/积分、开启系统通知作为核心强调突出“优惠力度”,其次是以查询目的为主的我的订单,以及增加粘性的叮咚农场、刺激复购的邀请邻友,最后是一些常用功能、猜你喜欢。
由此可见叮咚买菜整个架构核心突出“优惠力度”。
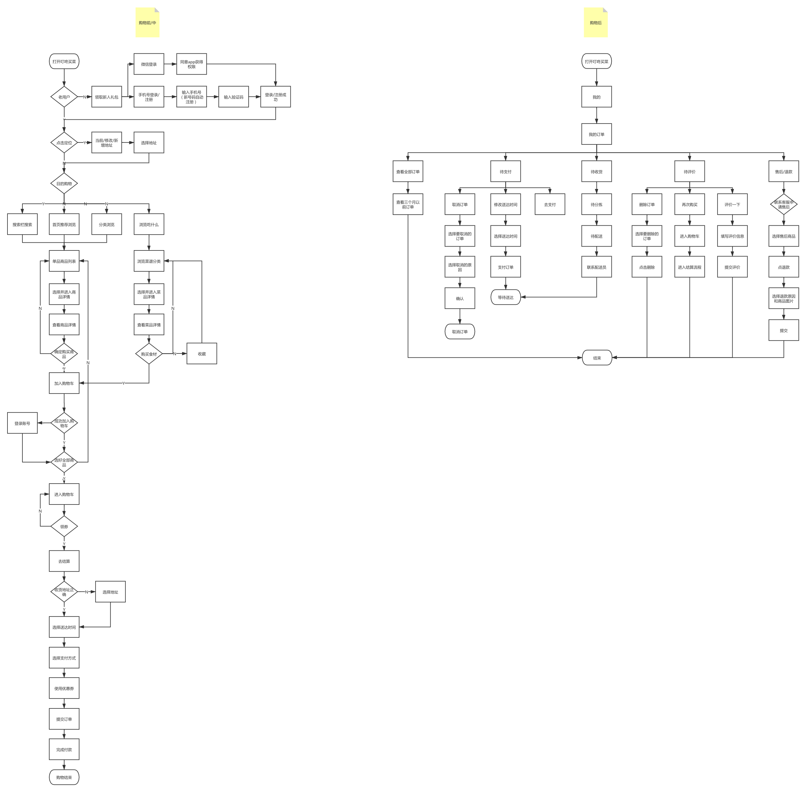
当我们把分散的功能点组成一个整体,为app创建一个概念结构后,需要站在用户角度去思考用户行为、理解用户是如何执行和完成任务的。这里把用户购物前中、后的流程进行拆解,了解用户的行为路径和跳转关系是如何顺利进行的,如下图所示:

一个好的流程是让用户在尽可能短的路径完成他所预期的任务目标,同时避免让他犯错,即使犯错也可以通过提供新路径进行再次操作补充完成,如在购物前/中的“定位”“登录”“使用优惠券”等功能,很好的诠释了这点。
框架层
框架层的关键词为界面设计、导航设计、信息设计。框架将页面依据交互行为区分层级,让所有层上的功能和内容搭建出来的视图结构能符合用户认知。框架决定了界面的内容和功能以何种方式呈现和组织,用户如何进行交互。我们两方面来看叮咚买菜的框架设计,一是通用的空间分级结构,来承载平台相对基础和稳定的功能;二是根据业务诉求变化以及不同场景特性而可随时调整的内容和功能模块布局。
一,从通用的空间分级结构看,按照交互形式可分为四层:背景层、内容层、全局控制层、临时层。层级顺序由左往右优先。如下图所示:


关于四层交互层级通用概念解释:
(1)背景层。这一层为固定样式,置于页面的底部,颜色为中立背景色,目的是凸显和聚焦内容层。
(2)内容层。这一层主要承载用户在当前场景需要获取的核心信息及辅助核心任务的操作。内容层为视图结构中最核心和复杂的一层,可置入所有组件,它的基本布局结构有平行结构(N栏)或者父子结构。
(3)全局控制层。这一层可用于对整个网站的控制以及导航功能,展示环境和上下文位置。包括标题,工具栏,导航栏。可以放置入按钮,搜索,菜单,选择器,标签组件。
(4)临时层。这一层为当前任务或者内容相关的临时出现层,优先级高于内容层,一般承载当前需要临时处理的任务或者需要接受的反馈等。以窗体滑出或者弹出的形式在当前页面场景化呈现,包括两种类型模态,一种是内容层不可操控,被蒙版遮罩禁用,比如需要较为聚焦的分支流程。另一种内容层可以操作,比如轻量级的tips、反馈、新手引导等。反馈提醒的优先级在此层中最高。对话框、提示、分支任务(如导航栏,当导航栏为缩起状态时,属于全局控制层,点击展开时,属于临时层)。
二,从内容和功能模块出发,根据不同模块的用户场景特点以及业务目标,把叮咚买菜主要分为五种页面框架布局,如图示:

(1)首页用混合陈列布局,结合了轮播、卡片、宫格、瀑布流等多种形式,适用于引导不同用户浏览选购场景,用户在该场景下核心是轻松获取有用的信息以及能快速找到对应感兴趣的内容。通过对应不同功能板块的场景需求和业务目标选择适合的形式,使不同需求类型的用户能在同一页面中完成浏览选购并完成任务。如限时抢购模块使用直接明了的单品卡片陈列来引导冲动型用户抢购;
(2)分类页主要用了多面板列表布局,适合sku较多的商品分类并有多层级信息标签,且同时需要展示相应内容;强调用户浏览的效率,同时保持精简,能够承接大量主题和商品。
(3)吃什么模块大面积运用两列网格布局,以菜品图片对比为主,加上精简文字信息,核心是让用户能够对比选择自己感兴趣的内容;
(4)购物车主要是用通栏卡片布局,该场景一般应用在某信息链路末端,用户了解该类信息最完整的场景,信息量大也较为复杂。这里主要把领劵、换购、商品列表、支付通道四大维度信息通过分隔栏进行分割模块,左右无间距,这样能最大程度承载和展示更多信息内容(商品)。
(5)我的模块主要用卡片式(留边距卡片),将单独模块内容和功能或相关联同类信息内容整合在一起放在独立卡片上,能够让人更清楚重点,使页面看起来更灵活,强调功能易用性和信息模块的完整度。
页面布局模式是根据自己产品的信息结构选择最符合用户需求和业务目标的布局形式,需要根据场景特征、信息内容和形式表达三者之间找到最优平衡方案,当然适合自己的用户和产品才是关键。
那么叮咚买菜一级界面内容主要由哪些板块组成?如下图示。每个板块都承载不同的用户需求和业务目标,如首页的“主题运营模块”很好的把复杂的商品/服务通过找到相同属性进行归类并组合为符合用户场景的主题,让不知道买什么的用户能够快速找到感兴趣的推荐。站在企业角度,企业有各种各样的商品需要卖出去,而用户需要通过平台选购到想要的商品,那么平台的价值就是把商品和用户通过某种方式链接起来,把商品和用户更好的进行匹配,这样才能卖出更多的商品。其他模块同理。

下面则是对所有元素进行系统整理,这里提及一下“粒子构成原理”,即由最小单元的粒子(样式,如尺寸、阴影、边框、文字、圆角、颜色)组合为简单组件(如按钮、菜单、复制),组合为复杂组件(业务组件,如对话框、分页),再组合成模板,最终构成页面。

最后,通过安排和选择界面元素来整合界面设计,识别和定义核心导航系统来整合导航设计,放置和排列信息组成部分的优先级来整合信息设计,形成低保真原型图。如下图。


表现层
表现层的关键词为感知设计。从两个方面来简述感知设计:
(1)品牌感知属性。品牌理念关键词“新鲜”“健康”“菜市场”,使用胡萝卜作为logo,食欲橙健康绿作为品牌主色,主页运用大面积橙色以及红包元素增加“热闹”氛围印象,多处直接使用“菜肉”实物大图来放大菜市场沉浸感;icon保持简洁,以易识别、整体、有序为主;文字处理保持统一的信息阅读节奏,间距与大小保持规范统一,强调重点标题文字,减少在多图片的排布上文字阅读障碍性,同时在主题命名和话术上也表现出感性沟通。

(2)主视觉引导。通过使用重点颜色来加强重点业务和信息的传递,图文、颜色的运用比例达到对比与统一的平衡,形成流畅的主视线路径,能在支持用户产品交互去完成某个目标和任务的同时创造更多业务接触的可能性。

最后,通过实际模拟体验选购过程,总体来说体验流畅、优惠多、能够满足日常烹饪和食材选购需求,同时有品牌自身的基因特点,这也就是叮咚买菜能够在生鲜电商红海崛起的原因吧。

结尾
一不小心叨逼叨了这么多,实在是不务正业(bbb),最后送一句话给自己
-任何一件你愿意浪费时间的事物都值得分享-
ending,see you later。




















































































