徐工湖北环保科技有限公司电力监控系统的解决方案
介绍徐工湖北环保科技有限公司配电房电力监控系统
徐工湖北环保科技有限公司电力监控系统的解决方案
摘要: 本文介绍徐工湖北环保科技有限公司配电房电力监控系统,系统采集400V多功能电力仪表、400V进出线开关状态、变压器温控仪、10kV微机保护装置、直流屏、发电机、安防(门禁、视频)、消防、环境等各类参数、开关信号并可进行远程控制。系统采用本地组网/光纤网络的方式,通过QDLPort通信机、QDL9000组态软件实现配电室配电回
路用电的实时监控和管理。
关键词: 徐工湖北环保科技有限公司;配电房;通信机;QDL9000;电力监控系统;组态软件。
概述
徐工湖北环保科技股份有限公司于2014年08月04日成立。公司经营范围包括:大气污染治理、水污染治理、土壤修复、固体废物治理、危险废物治理、放射性废物治理的工程设计、建设、运营管理、技术咨询服务及相关设备的研发、制造、销售和服务;环卫机械的研发、制造、销售和服务;垃圾资源化利用项目运营及技术服务;垃圾收集、清扫、清运、处理服务(非集中处理);城市排泄物处理服务(非集中处理);园林绿化工程施工、普通货物道路运输;设备租赁;专用汽车的研发、制造、销售和服务;专用汽车及挂车、运输设备、汽车零部件、危险化学品包装物、容器产品(罐体)的研发、制造销售和服务等。
徐工湖北环保科技有限公司设置了一个配电房,10kV高压柜10台,变压器2台,低压配电柜17台,电力监控系统共接入了58台各类测控设备。
设计说明
本工程高压中心配电房内各进、出线回路采用PMF700系列微机保护测控装置,实现各回路保护及电气量采集。变配电房内各低压进出线回路及各楼层配电箱采用QDLPZ80系列电力网络仪表以采集各回路电压、电流、电度量等数据。
本工程监控范围包括高压配电房及变配电房内所有智能设备,在消防控制室内设置后台监控系统,后台监控系统采用QDL9000配电综合自动化系统软件,包括前置通讯管理机和后台监控机,各场所内智能设备均通过RS-485通讯方式与前置通讯管理机通讯。
QDL9000后台监控系统功能说明:
1.数据采集
系统实时采集间隔层上传的模拟量(如电压、电流、功率、频率、温度等)、遥信(如开关位置、刀闸位置、手车位置等)、电度计量、保护信号及综合自动化等信息。发送各种数据信息及控制命令。
2.数据处理
系统采集数据后,立即进行数据处理。包括模拟量数据处理(YC)、开关量处理(YX)。
3.计算功能
在计算机监控系统中除大量的实际遥测数据点外,还同样有强大的计算功能,包括:限值计算、平衡率计算、累加计算、功率因素计算、统计计算等。
4.遥控操作
实时对进线以及各出线的断路器遥控分、合闸操作
5.图形界面
提供强大的设备图形编辑软件、画面编辑软件、画面管理软件,提供多种数值显示手段,如:数值显示盘表显示、棒图显示、曲线显示,并可根据数值状态和系统状态由用户根据需要和习惯自行定义。
6.报表子系统
提供强大的报表功能,采用Excel风格的电子表格方式组织、显示报表,支持时、日、月、年统计及特殊统计等各种表格,报表统计的数据可以按照用户要求选择,包括电流、电压、电度、运行时间、开关跳闸次数等,并支持用户自主编辑报表显示界面。
7.报警子系统
进线以及各出线发生遥测数值越限报警,开关变位报警,事故报警,工况报警,系统能自动产生一系列报警信息,报警方式支持图形报警,文字报警,语音报警,打印报警等多种报警方式。
8.安全子系统
系统提供统一的用户权限管理工具,根据需要赋予用户特定权限,根据权限做相应的操作.可设立操作员密码,系统管理员密码等多重密码,权责分明,避免了误操作。
9.变配电监控系统接入能源管理系统,能通过通讯管理单元把各种数据信号上传到能源管理系统。
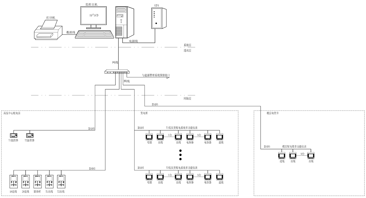
系统方案
庆德隆QDL9000系统根据徐工湖北环保科技股份有限公司电力监控系统现场实际情况,网络结构采用屏蔽双绞线将变电所智能仪表接至QDLPort通信机,通过以太网将数据上至配电室的监控主机,确保电力监控系统传输的稳定性与实时性。
1.站控管理层
站控管理层针对电力监控系统的管理人员,是人机交互的直接窗口。在徐工湖北环保科技有限公司电力监控系统工程中主要指位于地下一层配电室的监控主机。
2.网络通讯层
通讯层主要是由QDLPort通信机、以太网设备及485总线网络组成。QDLPort通信机主要功能是接入变电所内各类智能仪表,并解析上传数据或下发通信数据,;以太网设备及485总线网络的主要功能是实现分站与主站之间的数据交互,使配电系统管理集中化、信息化、智能化,提高了配电系统的安全性、可靠性和稳定性,真正达到了无人值守的目的。
3.现场设备层
现场设备层是数据采集终端,主要由智能仪表组成,智能仪表通过屏蔽双绞线RS485接口,采用MODBUS通讯协议总线型连接接入QDLPort通信机,与监控主机进行组网,实现远程监控的功能。
网络结构设计如下图所示。
系统功能
1.网络结构图
2.系统界面
庆德隆QDL9000电力监控系统人机界面友好,以配电一次图的形式直观显示配电线路的运行状态。系统实时监测各回路电压、电流、功率、功率因数、电能等电参数信息,动态监视各配电回路断路器、隔离开关、地刀等合、分状态,以及有关故障、告警等信号。
主要功能:一次图显示各回路对应回路名称、电流、电压、总有功功率、总功率因数,断路器、地刀、隔离开关等合分位状态,弹簧储能状态、手车位置状态。
系统界面如下图所示
3.报表功能
庆德隆QDL9000电力监控系统对电力参数进行存储和管理,电力参数分为实时显示参数和历史参数。所有实时采集的数据、顺序事件记录等均可保存到数据库,在查询界面中能够自定义需要查询的参数、指定时间或选择查询近更新的记录数据等,并通过报表方式显示出来。
主要功能:查询各回路或者设备指定时间的运行参数,报表中显示电参量信息包括三相电流、三相电压、总功率因数、总有功功率、总无功功率、四象限电能等。电参量报表支持导出Excel格式文件,还可以根据用户要求导出PDF格式文件。
报表功能如下图所示。
4.曲线功能
庆德隆QDL9000电力监控系统对支持电参量曲线功能,曲线分为实时曲线及历史曲线,支持同一界面显示多条曲线并以不同颜色进行区分。曲线记录最大值、最小值及平均值,以及极值发生的时间。
5.报警及事件
实时报警
实时报警窗口监测系统所采集的遥测量。报警窗口会在系统运行时自动打开,并一直隐藏在后台。
当有电流或者电压越限,并且触及报警界限时,“相应实时报警”窗口就会自动弹出,并以红色字体显示具体的报警信息:回路名、越限的电参量、报警值等。
历史报警
通过设置开始时间和结束时间,即可查询到过去任意时间段内的系统报警信息,包括遥测报警和遥信报警,还包括具体的报警时间,报警类型,报警内容等。
6.遥控功能
庆德隆QDL9000电力监控系统支持远程控制功能,在监控主机上通过管理员权限对变电所内的开关进行远程分合闸操作。
遥控功能界面如下图所示。
7.用户管理
庆德隆QDL9000电力监控系统有完善的用户管理功能,避免越权操作。
每一级权限对应相应的控制权限,最多可设置多级不同权限,并记录权限用户的操作。
管理员具有最高的权限,并可以对其他用户或者计算机的权限进行设置;
用户或者计算机被设置了权限之后只能在权限规定的范围内操作或者浏览,权限范围以外的功能都将被禁止;
所有用户的操作都将被系统日志记录下来,包括操作时间、操作类型、操作对象、操作结果等等信息。
用户管理界面如下图所示。
结束语
随着社会经济的发展,用电需求剧增,供配电安全至关重要,供配电智能化管理的需求日益增大。
本文介绍的QDL9000电力监控系统在徐工湖北环保科技有限公司的应用,可以实现对配电室供配电回路用电的实时监控。通过智能仪表、QDLPort通信机、计算机等组成电力监控系统不仅能显示回路用电状况,还具有实时告警、故障分析、事件追忆等实用功能。在日常运维过程中,为解决用电问题提供了真实可靠的依据,取得了较好的经济效益及安全保障。














































































