延黄高速公路庆德隆QDL9000电力监控系统的设计与应用
高速公路电力监控系统的设计与应用
延黄高速公路庆德隆QDL9000电力监控系统的设计与应用
摘要: 本文介绍G6521 榆蓝高速公路延长县至黄龙县段高速公路电力监控系统,系统采集400V多功能电力仪表、400V进出线开关状态、变压器温控仪、10kV微机保护装置、UPS、EPS、发电机等各类设备参数、开关信号并可进行远程控制。系统采用光纤网络通信的方式,通过QDLPort通信机、QDL9000组态软件实现配电室配电回路用电的实时监控和管理。
关键词: G65E榆蓝高速公路延长县至黄龙县段高速公路;配电房;通信机;QDL9000;电力监控系统;组态软件。
概述
延长至黄龙高速公路是国家高速公路榆蓝高速公路(G6521)的重要组成路段。榆兰线至黄龙公路位于延安市东部,北接已建长延线延川至延安高速,与青兰高速公路相接,向南沿大南川设线至圪台,向西南进入黄龙庙沟,设线至沟头穿过山梁至旗杆庙,沿沟向南平行国道242设线,经沙曲河、洩湖河至黄龙县,由县城西侧设隧道过境后至终点安善村与在建的黄龙至蒲城高速公路顺接。线路跨越宜川县及黄龙县2个行政区,主要城镇有宜川县丹州镇和黄龙县圪台乡。
延黄高速共有21条隧道,设置了14个变电所、7台箱变。于2021年6月完成全部验收:
李家湾1#隧道:10kV高压柜4台、变压器2台、低压配电柜9台、发电机1台、EPS1套、UPS1台。电力监控系统共部署了1台QDLPort通信机,接入了44台各类测控设备。
李家湾2#隧道:10kV高压柜4台、变压器2台、低压配电柜7台、发电机1台、EPS1套、UPS1台。电力监控系统共部署了1台QDLPort通信机,接入了36台各类测控设备。
康家坪隧道:10kV高压柜4台、变压器1台、低压配电柜9台、发电机1台、EPS1套、UPS1台。电力监控系统共部署了1台QDLPort通信机,接入了39台各类测控设备。
白家塬隧道:10kV高压柜4台、变压器2台、低压配电柜10台、发电机1台、EPS1套、UPS1台。电力监控系统共部署了1台QDLPort通信机,接入了51台各类测控设备。
韩家村1#隧道:10kV高压柜4台、变压器2台、低压配电柜8台、发电机1台、EPS1套、UPS1台。电力监控系统共部署了1台QDLPort通信机,接入了40台各类测控设备。
韩家村2#隧道:10kV高压柜4台、变压器2台、低压配电柜8台、发电机1台、EPS1套、UPS1台。电力监控系统共部署了1台QDLPort通信机,接入了38台各类测控设备。
杨道塬隧道:10kV高压柜4台、变压器1台、低压配电柜7台、发电机1台、EPS1套、UPS1台。电力监控系统共部署了1台QDLPort通信机,接入了37台各类测控设备。
康胡子峁隧道:10kV高压柜4台、变压器1台、低压配电柜7台、发电机1台、EPS1套、UPS1台。电力监控系统共部署了1台QDLPort通信机,接入了37台各类测控设备。
云岩1#隧道:10kV高压柜4台、变压器1台、低压配电柜7台、发电机1台、EPS1套、UPS1台。电力监控系统共部署了1台QDLPort通信机,接入了37台各类测控设备。
云岩2号隧道1#变:10kV高压柜4台、变压器2台、低压配电柜8台、发电机1台、EPS1套、UPS1台。电力监控系统共部署了1台QDLPort通信机,接入了39台各类测控设备。
云岩2号隧道2#变:10kV高压柜4台、变压器2台、低压配电柜8台、发电机1台、EPS1套、UPS1台。电力监控系统共部署了1台QDLPort通信机,接入了35台各类测控设备。
刘家桌子1#隧道:10kV高压柜4台、变压器2台、低压配电柜8台、发电机1台、EPS1套、UPS1台。电力监控系统共部署了1台QDLPort通信机,接入了39台各类测控设备。
刘家桌子2#隧道:10kV高压柜4台、变压器2台、低压配电柜8台、发电机1台、EPS1套、UPS1台。电力监控系统共部署了1台QDLPort通信机,接入了37台各类测控设备。
五门口隧道:10kV高压柜4台、变压器1台、低压配电柜4台、EPS1套、UPS1台。电力监控系统共部署了1台QDLPort通信机,接入了18台各类测控设备。
圪台隧道:10kV高压柜4台、变压器1台、低压配电柜4台、EPS1套、UPS1台。电力监控系统共部署了1台QDLPort通信机,接入了14台各类测控设备。
黄龙山1#隧道:10kV高压柜4台、变压器2台、低压配电柜8台、发电机1台、EPS1套、UPS1台。电力监控系统共部署了1台QDLPort通信机,接入了25台各类测控设备。
黄龙山2#隧道:10kV高压柜4台、变压器2台、低压配电柜8台、发电机1台、EPS1套、UPS1台。电力监控系统共部署了1台QDLPort通信机,接入了25台各类测控设备。
沙曲河隧道:10kV高压柜4台、变压器1台、低压配电柜4台、EPS1套、UPS1台。电力监控系统共部署了1台QDLPort通信机,接入了14台各类测控设备。
麻地湾2号隧道1#变:10kV高压柜4台、变压器2台、低压配电柜9台、发电机1台、EPS1套、UPS1台。电力监控系统共部署了1台QDLPort通信机,接入了33台各类测控设备。
麻地湾2号隧道2#变:10kV高压柜4台、变压器2台、低压配电柜9台、发电机1台、EPS1套、UPS1台。电力监控系统共部署了1台QDLPort通信机,接入了26台各类测控设备。
麻地湾3号隧道:10kV高压柜4台、变压器1台、低压配电柜4台、EPS1套、UPS1台。电力监控系统共部署了1台QDLPort通信机,接入了16台各类测控设备。
设计说明
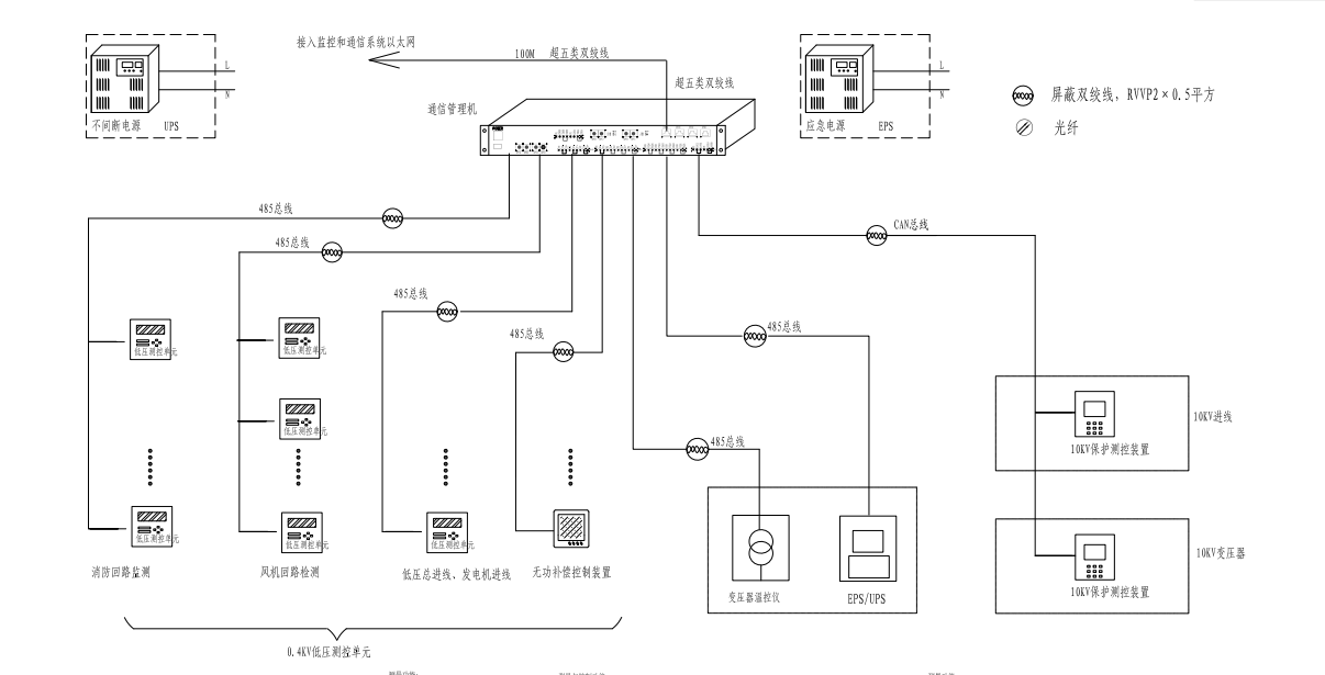
电力监控系统对各隧道室内变电所变配电系统(包括10kV进线回路、10kV馈出回路、0.4kV进线回路、0.4kV双电源切换柜、低压母联断路器柜、无功功率补偿柜、EPS、UPS、变压器及其它智能电气设备运行状态)进行保护和监控。
在各隧道交电所及沿线隧道箱式变电站内安装远程测控终端设备和智能通信管理机,通过以太网交换机和光纤以总线形式接入隧道监控站电力监控计算机,主要监测变压器状态、高压进出线、低压出线、发电机进线、消防水泵及风机出线、UPS/EPS 出线的电气参数及各开关状态量,照明及通风由隧道变电所PLC控制器控制,其中传输光缆及交换机与PLC系统共用。
(1)10kV进、出线均采设微机维电保护测控装置,它完成的主要功能有:过流、速断、频率、过电压/欠压、重合闸、方向接地等保护,通过RS485或RS232通讯口,上传各种信号。
(2)0.4kV配电回路设智能电力测控单元,主要完成的功能有:测量三相全电量,谐波采样,谐波分析,故障录波,高速记录,多数字输入/输出。通过RS485通讯口上传各种信号。
(3)各变电所或箱变内设智能通信管理机,管理机接收各个保护及测控装置信号,并通过以太网交换机上传隧道管理站,与隧道管理站通信。各个智能管理单元和设备层设备通过RS485通讯口通信。
网络结构:
黄龙分监控中心
子站监控系统结构图
系统方案
庆德隆QDL9000系统根据延黄高速电力监控系统现场实际情况,网络结构采用屏蔽双绞线将变电所智能仪表接至QDLPort通信机,通过以太网将数据上至配电室的监控主机,确保电力监控系统传输的稳定性与实时性。
1.站控管理层
站控管理层针对电力监控系统的管理人员,是人机交互的直接窗口。在延黄高速电力监控系统工程中主要指位于地下一层配电室的监控主机。
2.网络通讯层
通讯层主要是由QDLPort通信机、以太网设备及485总线网络组成。QDLPort通信机主要功能是接入变电所内各类智能仪表,并解析上传数据或下发通信数据,;以太网设备及485总线网络的主要功能是实现分站与主站之间的数据交互,使配电系统管理集中化、信息化、智能化,提高了配电系统的安全性、可靠性和稳定性,真正达到了无人值守的目的。
3.现场设备层
现场设备层是数据采集终端,主要由智能仪表组成,智能仪表通过屏蔽双绞线RS485接口,采用MODBUS通讯协议总线型连接接入QDLPort通信机,与监控主机进行组网,实现远程监控的功能。
系统功能
1.网络结构图
2.系统界面
庆德隆QDL9000电力监控系统人机界面友好,以配电一次图的形式直观显示配电线路的运行状态。系统实时监测各回路电压、电流、功率、功率因数、电能等电参数信息,动态监视各配电回路断路器、隔离开关、地刀等合、分状态,以及有关故障、告警等信号。
主要功能:一次图显示各回路对应回路名称、电流、电压、总有功功率、总功率因数,断路器、地刀、隔离开关等合分位状态,弹簧储能状态、手车位置状态。
系统界面如下图所示。
3.报表功能
庆德隆QDL9000电力监控系统对电力参数进行存储和管理,电力参数分为实时显示参数和历史参数。所有实时采集的数据、顺序事件记录等均可保存到数据库,在查询界面中能够自定义需要查询的参数、指定时间或选择查询近更新的记录数据等,并通过报表方式显示出来。
主要功能:查询各回路或者设备指定时间的运行参数,报表中显示电参量信息包括三相电流、三相电压、总功率因数、总有功功率、总无功功率、四象限电能等。电参量报表支持导出Excel格式文件,还可以根据用户要求导出PDF格式文件。
报表功能如下图所示。
4.曲线功能
庆德隆QDL9000电力监控系统对支持电参量曲线功能,曲线分为实时曲线及历史曲线,支持同一界面显示多条曲线并以不同颜色进行区分。曲线记录最大值、最小值及平均值,以及极值发生的时间。
曲线功能如下图所示。
5.报警及事件
实时报警
实时报警窗口监测系统所采集的遥测量。报警窗口会在系统运行时自动打开,并一直隐藏在后台。
当有电流或者电压越限,并且触及报警界限时,“相应实时报警”窗口就会自动弹出,并以红色字体显示具体的报警信息:回路名、越限的电参量、报警值等。
历史报警
通过设置开始时间和结束时间,即可查询到过去任意时间段内的系统报警信息,包括遥测报警和遥信报警,还包括具体的报警时间,报警类型,报警内容等。
6.遥控功能
庆德隆QDL9000电力监控系统支持远程控制功能,在监控主机上通过管理员权限对变电所内的开关进行远程分合闸操作
遥控功能界面如下图所示。
7.用户管理
庆德隆QDL9000电力监控系统有完善的用户管理功能,避免越权操作。
每一级权限对应相应的控制权限,最多可设置多级不同权限,并记录权限用户的操作。
管理员具有最高的权限,并可以对其他用户或者计算机的权限进行设置;
用户或者计算机被设置了权限之后只能在权限规定的范围内操作或者浏览,权限范围以外的功能都将被禁止;
所有用户的操作都将被系统日志记录下来,包括操作时间、操作类型、操作对象、操作结果等等信息。
用户管理界面如下图所示
结束语
随着社会经济的发展,用电需求剧增,供配电安全至关重要,供配电智能化管理的需求日益增大。
本文介绍的QDL9000电力监控系统在延黄高速公路的应用,可以实现对配电室供配电回路用电的实时监控。通过智能仪表、QDLPort通信机、计算机等组成电力监控系统不仅能显示回路用电状况,还具有实时告警、故障分析、事件追忆等实用功能。在日常运维过程中,为解决用电问题提供了真实可靠的依据,取得了较好的经济效益及安全保障。














































































