Creo 学习作业记录
广州/设计爱好者/1年前/62浏览
版权
Creo 学习作业记录
2024/0516 Creo Parametric 自学打卡
根据视频步骤安装软件(软件版本为10.0.0.0)
初步了解 软件布局及画图原理
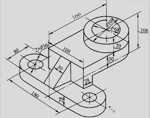
开始尝试 草绘的案例临摹
经过三个草绘案例的临摹学习,基本已经认识到软件的操作技巧可以进行下一步的学习。
开始尝试 拉伸的案例临摹
2024/0617 Creo Parametric 自学打卡
终于有时间继续看视频学习软件操作
Creo 启动
1
Report
声明
收藏
Share
相关推荐
in to comment
Add emoji
喜欢TA的作品吗?喜欢就快来夸夸TA吧!
You may like
相关收藏夹
Log in
1Log in and synchronize recommended records
收藏Log in and add to My Favorites
评论Log in and comment your thoughts
分享Share


































































































