设计启动之现场勘察
成都/室内设计师/4年前/56浏览
版权
设计启动之现场勘察
现场勘察是设计师最好的放风时间
今天有粉丝留言问,做出一份很好的作品需要具备哪些内容。当时脑瓜子里面冒出的第一个念头就是“怎么感觉和如何把大象装进冰箱的问题一样简单又复杂,第一步打开冰箱门,第二步把大象放进冰箱,第三步关上冰箱门”。
诚然,一份好的作品需要能完美落地,需要最优化的空间布局和功能动线,还需要很高的艺术沉淀带来的独到审美。但是,这一切最终呈现都离不开我们启动设计的第一步,也是开启整个项目征程的首步,那就是现场勘察。
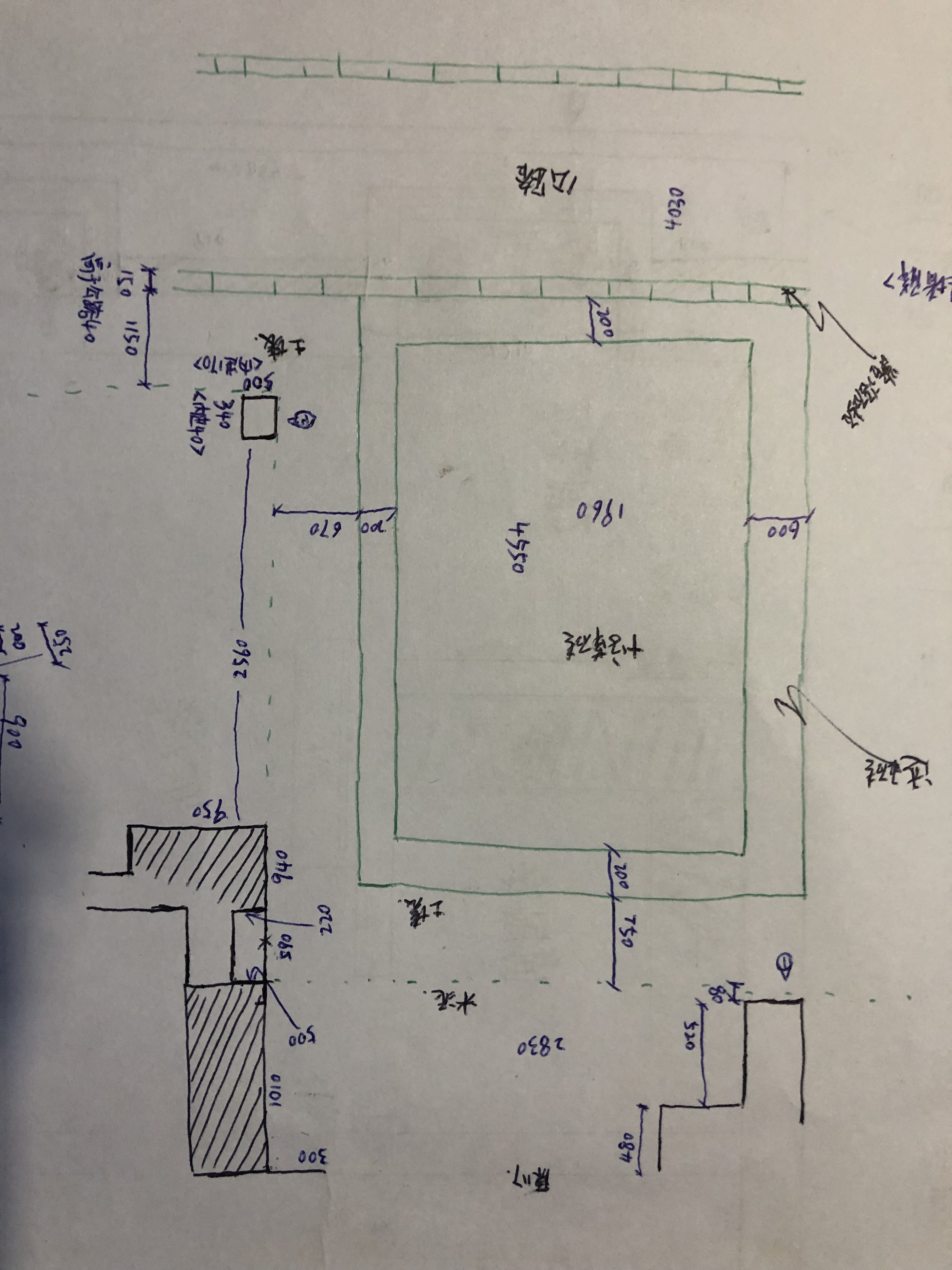
下面我们开始把大象放在冰箱的第一步,打开冰箱。仔细查看现场具体情况。核实现场具体的上下水点位,强电,弱电箱,管道具体位置,在量房草图上面标注出来。

对现场情况进行拍照存档。

把大象装冰箱的第二步,把大象放进冰箱。
这一步属于一个要求精度的活计,需要把每一个测量的尺寸都详细的标注到手绘图中。较为复杂的立面还需要绘制立面手稿并标注尺寸。



前面这些繁琐的工作完成后,就到了大象装冰箱的最后一步,把冰箱门关上。
将现场绘制的量房手稿转换成CAD电子版本,就可以进行下一步工作设计提案了。
原始平面放图

复杂柱面及窗户关系立面放图。

0
Report
声明
收藏
Share
相关推荐
in to comment
Add emoji
喜欢TA的作品吗?喜欢就快来夸夸TA吧!
You may like
相关收藏夹
Log in
推荐Log in and synchronize recommended records
收藏Log in and add to My Favorites
评论Log in and comment your thoughts
分享Share

















































































